Vertical Blind Installation Instructions

CONGRATULATIONS on purchasing the finest vertical blinds made. We are confident that you will be pleased with there ease of installation, function, fashion and quality. Please read completely the instructions below before beginning the installation process. Before beginning installation, remove all the parts from box and check the parts list to make sure you have received all parts needed for installation. Double check the carton for parts before discarding it.

SECTION
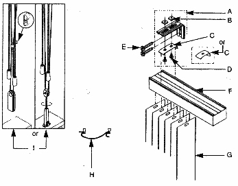
A. Standard Blind Wall Mount F. Cord Weight/Tension Pulley
B. Standard Ceiling Mount G. Louver Installation
C. Dust Cover Valance (Optional) H. Angle Blind
D. Valance (Optional) Laserlite Executive I. Shorten Cord/Untwist Cord
E. Wand Control (Optional) J. Maintenance



To install your new vertical blind you will need the following tools:
  • pencil
  • Tape measure
  • Scissors
  • medium size screwdriver
  • drill
  • 1/16 drill bit.(for screws) or a hammer and finishing nail
  • 3/16 drill bit (for anchors)
  • level (optional)


SUGGESTED FASTENER GUIDE
Anchors* (Not Supplied) Plastic or lead anchor insert.(Plastic anchor insert for light weight blinds on drywall, paneling etc.

Hollow Wall Anchors* (Not Supplied) Hollow wall anchor or hollow wall toggle bolt are used for heavy blinds.


PARTS LIST
  • Wall Bracket Assembly
  • Nuts
  • Mounting Clips
  • Bolts
  • Mounting Screws
  • Headrail
  • Louvers (cloth or vinyl) NOTE: Cloth louvers may have weights sewn into the bottoms.
  • Chain and Clip, Optional, (cloth louvers only)
  • Cord Weight and cord clip, for AutoRotate option, or tension pulley attached with cord and 2 pull tassels attached with a chain

NOTE: You will receive only one of the styles shown here (For corded blinds only)

Valance Parts
  • Dust Cover Valance See Section D



There are two basic vertical instructions.
A. One way is to mount it to a vertical surface such as your wall, outer window frame or outer door frame. (OUTSIDE MOUNT)
B. The second way is to mount it to a horizontal surface such as your ceiling or to the upper surface of your window frame or door frame. (INSIDE MOUNT)

A. Outside Mount Mounted on a vertical Surface (Wall, Window or Door Frame)
  1. Mark "HEIGHT" on wall at louver length+2"
  2. Center headrail over window at "HEIGHT" mark. Make about a 2" long mark on the wall about 4" in from each end. NOTE: For blinds over 62" wide, make marks on wall for every bracket spaced evenly
    0-62" WIDE 2 BRACKETS
    62"-98" WIDE 3 BRACKETS
    98"-134" WIDE 4 BRACKETS
    134"-170" WIDE 5 BRACKETS
    170"-192" WIDE 6 BRACKETS
  • Hold brackets up to 2" marks and mark mounting holes on wall.


  • You may find it easier to mark wall mount wall brackets, if the clip is twisted out of the way. For brackets with two screws, remove one screw and loosen the other then twist the clip 1/4 turn.
  • Drill holes at these marks. If mounting into drywall, use wall anchors (Not Included) and push into drilled holes. Screw brackets into place. Use 2 screws per bracket.


  • Twist all clips back to original position and tighten all screws. Snap headrail in place by inserting front edge in mounting clips and rotating back. (Note: Put cord on right for right draw and on left for left draw)
  • To remove blind,release headrail by inserting a screwdriver between headrail and release tab.



  • B. INSIDE MOUNT MOUNTED ON HORIZONTAL SURFACE (CEILING OR UPPER INSIDE DOOR/WINDOW FRAME)
    Note: This mounting method can be used for dust cover valance. For Trimline see section E, For Horizon see section F.
    1. Mounting clips may come to you attached to the mounting brackets. The brackets are not used with this way of mounting. Loosen and remove the screw on the bottom of the bracket. If your bracket has two screws, remove both of them. Do this on all wall brackets. Discard brackets and adjusting screws and keep just clips.


  • You will need to make marks on two things. One is your door/window frame or ceiling and the other is the valance.


  • For marks on your door/window frame ceiling, hold your valance up, centered over the door or window and mark the width of your valance (WIDTH MARKS). At the valance width marks you just made, measure out 1" form wall and make pencil marks (DEPTH MARKS).
  • Center the clip over the third and about 4" or less from each end. For blind over 62" evenly pace all additional clips and mark all hole locations.


  • Hold valance up. Line back of dust cover (on valance) up with DEPTH marks (step 3). Drill holes through valance at the mounting into dry wall, use wall anchors (not included) and push into drilled holes.

  • Hold valance and clips up to the holes and drive screws through clip and valance and into your ceiling or sill.
  • Snap headrail in place by inserting front edge in mounting clips and rotating back. (Note: Pull cord on right for right draw and left for left draw)

  • To remove blind, release headrail by inserting a screwdriver between headrail and release tab.


    C. DUST COVER VALANCE
    Valance Parts
    N. Valance
    O. Standard Valance Corners or Deluxe Valance Corners and Cap
    P. Valance Returns
    Q. Valance Clips


    VALANCE CORNER ASSEMBLY
    • For Standard Corner Valance Insert valance ends into valance corners and attach to valance


    • For Round Corner Valance
      1. Unfold fabric form valance ends. Push the side of the corner onto the valance ends. It should fit snug behind the trim.
      2. Wrap fabric around the corners and slide valance returns over fabric and onto corner

      Attach Dust Cover Valance to Vertical blind.

  • For Outside Mounting Snap one clip onto headrail about 2" from each end. Space remaining clips evenly on headrail. Slide valance into clips

  • D. LASERLITE EXECUTIVE VALANCE INSTALLATION INSTRUCTIONS
    SINGLE VALANCE: OUTSIDE MOUNT
    Snap valance clips(1) onto headrail(2) about 2" from each end. Space remaining clips evenly onto headrail. Slide valance onto clips. Note:For clips with notches on its tab, break the tab along notch so that the valance will fit better on window.

    DOUBLE VALANCE: OUTSIDE MOUNT
    1. Clip Valance hangers(1) to the back of the double valance so that the "T"(3) section of the hangers fit into the trim groove(4)
  • Install the lower edge of the hanger into the lower slot as shown.

  • Flex the upper edge of the Valance Hanger(1) to snap it into the top back edge of the upper valance(3).Repeat for returns, one hanger per return.


  • Mount finished Double Valance onto headrail same as single Valance.


  • INSIDE MOUNT MOUNTED ON HORIZONTAL SURFACE (CEILING, UPPER INSIDE DOOR OR WINDOW FRAME) SINGLE VALANCE ONLY
    1. Mark your door/window frame or ceiling. Measure 1" from wall and make pencil marks (DEPTH MARKS).


  • Center a clip 5/8" from edge and about 4" or less from each end. Evenly space all additional clips and mark hole locations.

  • Hold valance up. Line back of dust cover up with DEPTH mark (step 1). Drill holes through valance and secure valance and clip to ceiling or sill with screws provided. If mounting into dry wall, use wall anchors (not included) and push into drilled holes



  • E. WAND CONTROL OPERATING INSTRUCTIONS:
    TO ROTATE the louvers, rotate the wand in the direction you want the louvers rotated.

    TO OPEN OR CLOSE THE LOUVERS, first rotate the louvers open. Then, push or pull the wand to open (stack louvers) or close (unstack louvers) the blind.

    If louvers are installed with the front of the louver facing the wand, the wand will be in front of the louvers when the blind is rotated closed. If the louvers are installed with the back of the louver facing the wand, the wand will be in back of the louvers when the blind is rotated closed.


    F.TENSION PULLEY (STANDARD)
    To avoid Strangulation, A Cord Weight or Cord Tension Pulley should be attached to the cord and then secured to the wall. Two pull tassels should be attached to the chain.

    INSTALL CORD TENSION PULLEY
    Note: Do Not Pre-Drill Holes

    For inside mounts, pulley should be positioned toward back of sill so that it will not interfere with the louver rotation.

    CORD WEIGHT AND CORD CLIP WITH EZ OPEN OPTION (OPTIONAL)
    1. install Cord Clip Position Cord Clip on wall above the cord weight and screw into position.


    G. LOUVER INSTALLATION (ALL STYLES)
    1. INSTALL THE LOUVERS Rotate stems so that you can see through the stem slots. Push louver up into stem. Gently pull down on louver to insure it catches on stem hook. For cloth louvers all hems should face the same direction. If louvers will not rotate, check to see if all louvers are overlapped the same. If not, remove louvers and carefully reinstall them. Remove louvers by inserting credit card.


    2. INSTALL BOTTOM HARDWARE (OPTIONAL)For Fabric Louvers With Sewn In Weights: Chains may be installed to the front or rear of the louvers. Slide clip onto fabric louver at the location shown to the left.


    For Fabric Louvers With Standard Weights: If weights are not sewn into pockets, insert weights in pockets at the bottom of the louvers. Attach clips to front holes of weights starting with the louver at the stationary end of the blind. At the leading louver, drape chain across face of louver and attach clips to back holes of weights. Thread loose end of chain through one loop on the tie down clip. Join chain ends using chain connector. Attach clip to window casing or floor with screw.

    For PVC Louvers With Keyholes Located at the center of the Louver: Keep spacing with spacer card. Attach tie down clip to the end of bead chain. Screw clip to the floor.


    H. ANGLE BLINDS
    To allow the louvers to hang and rotate a special stem has been provided. Hold the stem steady while inserting the louver.

    Follow Headrail Mounting Instructions Section A. or B. Follow Louver Installation Section G. Follow Valance Installation Instructions Section C,D.
    A Cord weight and cord cleat should be attached to blind instead of tension pulley and cord clip. Since the blind is mounted at an angle, the louver holders will tend to slide "downhill". A cord cleat is provided to wrap the cord around and prevent the louvers from sliding.

    A cord weight will apply constant tension to the cord.

    install the cord cleat securely at a height to allow several turns of cord to be wrapped around it.(At least 18" above the cord weight)
    INSTALLATION OPTIONS:
    Inside Mount: Stacking must be at high end
    Controls at high end, normal stack Controls at low end, opposite end stack
    In both cases, the cord must be wrapped around the cord cleat to hold the blind open.
    Outside Mount:
    • Controls and stack at high end
    • Controls can also be at opposite end
    • Wrap cord around cleat to hold blind open
    • Controls and stack at low end
    • Controls can also be at opposite ends
    • Wrap cord around cleat to hold closed
    I. SHORTEN CORD/REMOVE CORD TWIST
    If the cord is too long you may adjust it. Traverse louver holders to stacked position. Grasp knot located along the inside of the track and pull out excess cord. Re-knot and cut off excess.

    Un-Twisting Pull Cords
    After you mount your blind, your cords may be twisted together. Follow these instructions to untwist them. Open blind all the way. Pull out the knot that is farthest away from the end with the cords and chain. Use needle nose pliers, if you have one, to get at the knot. Hold the cord near the knot and the cord near the drive end and twist both of them in the same direction. Try twisting one way and then the other until you find the right way to untwist the cord. Pull the cords on the end of the blind to get the knot back inside the blind.

    J. MAINTENANCE

    LOUVER MAINTENANCE
    CLOTH- Clean by vacuuming

    VINYL (PVC) Clean with damp cloth and mild soap. A thin film of mild soap left on the louvers helps keep static electricity from building up. If Cleaning becomes necessary, it is recommended to use a mild non-abrasive household detergent such as 409 or Ivory dish washing liquid to wipe dust build-up from the louvers.

    LOUVER MAINTENANCE
    If closing or opening the blind becomes difficult, it is recommended to spray a small amount of silicon along the aluminum rod inside the headrail. Operate the blind a couple of times to be sure that the whole rod has been lubricated. Vacuum the headrail periodically to prevent dust accumulation. Headrail Maintenance is recommended every 2 years.

    NON-WOVEN TEXTILE MATERIAL:
    Several Conditions are inherent in the construction of this unique non-woven textile material:

    • Marbling
      A natural marbled appearance is characteristic on non-woven fabrics. This may become apparent when viewed in a window with the blind closed. The random nature of this marbling is attractive when displayed with other louvers and in not a "defect" in the goods.
    • Color Close control of batch dying operations and subsequent inspection helps to assure color uniformity, but as well as dyed fabrics, some lot-to-lot color variations may be expected.
    • Raveling The non-woven material does not ravel. Where normal slitting may cut across stitched threads, mechanical action may pull several inches of stitched thread loose. These may be clipped easily, quickly and neatly
    • Ribbing Due to tension variation of the stitching, you may observe a slight difference in the ribbing from lot-to-lot.